
Contact Hotline
0769-23103048 0769-23103048免费热线:400-833-2669
固定电话:0769-23103048(杨小姐)
固定电话:0769-22013249(杨先生)
公司传真:0769-23109526
您当前的位置:

☆、对工厂气路系统进行增压、保压、保证生产用气稳定运行。
☆、满足所有设备对高压力的需求。
☆、阀门、管件、仪器仪表、压力容器等的耐压和爆破作测试。
☆、安全阀门校定。
☆、高压气体系统和仪器的测试。
91好色先生IOS下载空气增压泵厂家直销,价格从优,可非标定制!
【大2倍空气增压泵产品详解】:
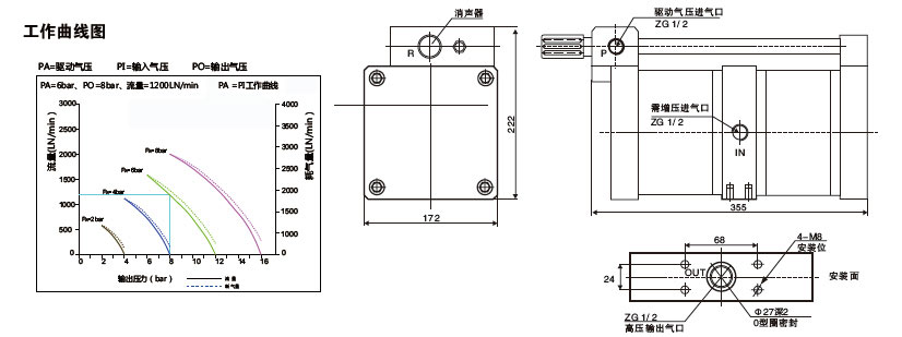
大2倍空气增压泵JRN-A-L2B-E型外观新颖、使用方便,操作安全,自动保压,与小2倍空气增压泵JRN-A-L2-E的区别在于高压后流量,前者为80升/min,后者40升/min。倍数越大流量越小,还望广大新老客户知晓。





东莞市91好色先生IOS下载气动液压设备有限公司是一家30年专业研发生产制造好色先生TV下载安卓缸、好色先生TV下载安卓器、好色先生TV下载安卓机、好色先生污大全、倍力气缸等气液转化元件之相关高新科技企业,拥有行业内完善的行业综合好色先生APP视频下载,帮助过3000多家企业进行了针对性产品定制,服务过上万家客户。

公司1992年成立于台湾省新竹县。拥有一批资深的研发团队,专业致力于气液转化元件的研发与生产。经多年磨练,现公司研发产品有:好色先生TV下载安卓缸、好色先生TV下载安卓机、气液压力机、好色先生TV下载安卓器、空气增压泵、倍力气缸、电动缸、伺服压力机等系列气动液压设备。该类产品均采用现代先进设备(CNC)制造,配选日本,意大利等知名品牌密封件,其设计新颖,性能独特,所生产产品均能达到“出力大,速度快,精度高,寿命长,无泄漏,节能源”等优点。



![]() | ![]() | ![]() |

东莞市91好色先生IOS下载气动液压设备有限公司
咨询热线:400-833-2669
电话:18925544859黄小姐
传真:0769-23109526
邮箱:jiurong.good@163.com
网址:www.czzhilang.com,www.jrzyq.com,www.twjiurong.com
地址:广东省东莞市东城街道峡口沙岭工业西路21号
